振動出礦機簡介
振動出礦機是一種以振動電機為激振源的顛振型慣性振動出礦設備,振動出礦機適應于多塵及載礦量有較大波動,環境溫度不大于40°C,空氣相對濕度不大于90%的場合。
振動出礦機性能特點
- 振動出礦機節省能源、出礦效率高、出礦均勻且易控制;
- 振動出礦機制造簡單,安裝工程量小,成本較低;
- 由于振動大減少了懸拱、卡礦現象;
- 振動出礦機的應用范圍廣,適應性強。
- 振動出礦機節能高效、維護方便、可頻繁起動。
- 振動出礦機可有效防止含水量大的礦石出現跑礦、懸拱、卡礦等現象。

振動出礦機應用
振動出礦機廣泛適用于冶金、化工、建材、煤炭等礦業,振動出礦機是礦石及其它物料的放出,振動出礦機給料或裝車的理想設備。
(3)機型符號意義
二、技術參數表: 附注:1、“~”線前后數字,適用于礦巖、物料密度分別為1700kg/m3、2400kg/m3時的對應參數。
2、本系列振動電機均為ZDJ型,電壓380V。
外形與安裝簡圖
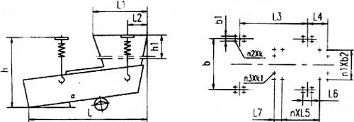
吊二型機外型與安裝簡圖(7、9、11、13、15、17、19、33、35、38、43#機)
| 外形尺寸 | 吊掛螺栓 | |||||||||||||||
I | I1 | I2 | h | h1 | I3 | I4 | n×I5 | I6 | I7 | b | b1 | n×b2 | n2×k | n3×k1 | |||
7 | 2517 | 1660 | 592.2 | 1572 | 500 | 1338 | 563.5 | 7×178 | 280 | 178 | 1000 | 120 | 4×180 | 16×M20 | 26×M20 | ||
9 | 2629 | 1730 | 594 | 1621 | 500 | 1445 | 565 | 6×209 | 280 | 209 | 1200 | 120 | 5×184 | 16×M20 | 26×M20 | ||
11 | 2718 | 1788 | 664 | 1588 | 500 | 1450 | 634 | 7×192 | 280 | 192 | 1100 | 120 | 4×205 | 16×M20 | 26×M20 | ||
13 | 2771 | 1810 | 675 | 1688 | 500 | 1490 | 645 | 6×219 | 280 | 219 | 1200 | 120 | 5×184 | 16×M20 | 26×M20 | ||
15 | 3179 | 1896 | 667 | 1850 | 500 | 1555 | 637 | 7×204 | 300 | 204 | 1400 | 120 | 6×187 | 16×M20 | 30×M20 | ||
17 | 3183 | 2030 | 690 | 1985 | 500 | 1855 | 660 | 8×197 | 300 | 197 | 1300 | 120 | 5×204 | 16×M20 | 30×M20 | ||
19 | 3595 | 2350 | 835 | 2430 | 600 | 2100 | 805 | 8×229 | 300 | 220 | 1400 | 120 | 5×224 | 16×M20 | 30×M20 | ||
33 | 3250 | 1600 | 1000 | 2218 | 730 | 1500 | 965 | 6×205 | 300 | 150 | 1500 | 150 | 6×200 | 16×M30 | 28×M20 | ||
35 | 3240 | 1600 | 990 | 2298 | 730 | 1500 | 955 | 6×205 | 300 | 150 | 1500 | 150 | 6×200 | 16×M30 | 28×M20 | ||
38 | 3905 | 1750 | 1205 | 2567 | 730 | 1900 | 1170 | 6×240 | 300 | 120 | 1600 | 150 | 6×217 | 16×M30 | 28×M20 | ||
43 | 4300 | 1960 | 1200 | 2973 | 730 | 2100 | 1170 | 8×205 | 300 | 130 | 1200 | 150 | 10×145 | 16×M30 | 32×M20 |
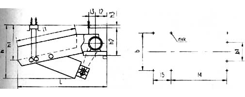
吊一型機外形與安裝簡圖(1、2、3、4、5#機)
| 外形尺寸 | 吊掛安裝 | 備注 | ||||||||
I | I1 | h | h1 | h2 | h3 | I2 | b | ||||
1 | 1251 | 1200 | 1951 | 1330 | 1340 | 400 | 516 | 490 | 放礦漏斗自配,b-吊掛螺栓寬度方向中心距 | ||
2 | 1453 | 1400 | 2038 | 1330 | 1340 | 404 | 516 | 490 | |||
3 | 1867 | 1800 | 2275 | 1308 | 1368 | 500 | 870.5 | 700 | |||
4 | 1868 | 1800 | 2352 | 1303 | 1368 | 500 | 870 | 700 | |||
5 | 2278 | 2200 | 2669 | 1360 | 1407 | 600 | 999 | 800 |
吊三型機外形與安裝簡圖(21、23、25、29、31#機)
| 外形尺寸 | 吊掛螺栓 | |||||||||||||||||
I | I1 | h | h1 | h2 | h3 | I2 | I3 | I4 | n×I5 | b | n1×b1 | b2 | b3 | n2×k | n3×b1 | 2×k2 | |||
21 | 3035 | 1550 | 2560 | 1960 | 800 | 600 | 1340 | 800 | 250 | 10×145 | 1124 | 6×200 | 892 | 250 | 8×M30 | 32×M20 | 2×M48 | ||
23 | 3308 | 1700 | 2625 | 2120 | 800 | 600 | 1686 | 900 | 250 | 8×200 | 1224 | 9×150 | 992 | 250 | 8×M30 | 34×M20 | 2×M48 | ||
25 | 3577 | 1700 | 2620 | 2230 | 800 | 600 | 1778 | 900 | 250 | 8×200 | 1324 | 10×145 | 1062 | 250 | 8×M30 | 36×M20 | 2×M48 | ||
29 | 4327 | 1800 | 2890 | 2630 | 800 | 600 | 2190 | 1000 | 250 | 10×170 | 1524 | 10×155 | 1262 | 250 | 8×M30 | 40×M20 | 2×M48 | ||
31 | 4567 | 1600 | 2700 | 2620 | 800 | 700 | 2226 | 900 | 250 | 10×150 | 924 | 9×145 | 912 | 250 | 8×M30 | 38×M20 | 2×M48 |
吊四型機外形與安裝簡圖(41#機)
| 外形尺寸 | 吊掛螺栓 | |||||||||||||
I | I1 | I2 | I3 | h | h1 | h2 | h3 | I4 | I5 | b | b1 | n×k | |||
41 | 4762.5 | 4018 | 312.5 | 100 | 2621 | 2400 | 1375 | 300 | 2700 | 350 | 2315 | 1715 | 8×M48 |
座一型機外形與安裝簡圖(6、8、10、16、18、20、22、24、28、34、37、42、44#機)
| zui 大外形尺寸 | 地腳螺栓位置 | ||||||||||
I | b | h | h1 | I1 | I2 | I3 | b1 | b2 | n×k | |||
6 | 1780 | 1036 | 1820 | 989 | 823 | 513 | 170 | 8×M20 | ||||
8 | 1963 | 1220 | 1823 | 922 | 843 | 700 | 170 | 8×M20 | ||||
10 | 1936 | 1150 | 1887 | 985 | 859 | 630 | 170 | 8×M20 | ||||
16 | 2403 | 1054 | 2250 | 1000 | 1000 | 500 | 780 | 8×M24 | ||||
18 | 2663 | 1154 | 2390 | 1000 | 1100 | 1280 | 600 | 880 | 8×M24 | |||
20 | 2210 | 1020 | 2192 | 1110 | 1164 | 1880 | 580 | 4×M24 | ||||
22 | 2487 | 1120 | 2389 | 1100 | 880 | 640 | 4×M30 | |||||
24 | 2765 | 2765 | 2594 | 1147 | 970 | 740 | 4×M30 | |||||
28 | 3427 | 1420 | 2887 | 1110 | 1442 | 850 | 4×M36 | |||||
34 | 2740 | 1520 | 2314 | 969 | 800 | 745 | 940 | 170 | 12×M24 | |||
37 | 3424 | 1620 | 2434 | 827 | 1000 | 1000 | 1040 | 170 | 12×M24 | |||
42 | 3857 | 1800 | 2652 | 540 | 760 | 700 | 750 | 850 | 8×M30 | |||
44 | 3477 | 1900 | 2568 | 879 | 785 | 700 | 650 | 1410 | 8×M30 |